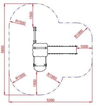
Torre Mini Cinca TMN08

Altura libre de caída: 0,90 m
Edad recomendada de uso: a partir de 3 años
Madera de pino tratada en autoclave Nivel IV
Componentes plásticos: Polietileno de alta densidad con protección UV
Tubos de barrera y rampa de tobogán de acero inoxidable
Componentes metálicos galvanizados
Tornillería protegida con tapones de polipropileno

